該系列信號共享器采用信號板卡與母體機插卡式分離設計,讓系統設計師輕松掌握合理的配單方案,也使方案化繁為簡,提高了視頻系統的兼容性、穩定性,也提升了視頻顯示質量,同時對系統調試、售后維護和升級改造等節約了時間和成本,真正實現了系統按需定制,輕松實現超清、高清、標清等多格式音視頻信號輸入、輸出的無縫切換。
參數配置
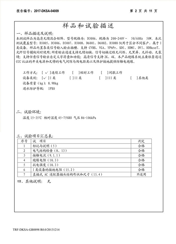
高性能高清音視頻和控制信號處理設備,采用19英寸工業架式,板卡可拆分設計;
高清音視頻信號部分最大滿足40進40出FPGA架構,20路卡槽,最大支持一卡四路信號的輸入輸出各10張板卡;
控制部分支持4張不同類型需求的控制卡,包括串口卡、紅外卡、I/O卡、弱繼電器卡等;
支持多種不同視頻信號混合使用,實現無縫切換功能;
可拆分式機箱設計,雙串口通訊,獨立接地端,支持7*24小時待機,MTBF=35000小時;
支持音視頻加解嵌遠距離傳輸功能;
VGA、HDMI、HDBaseT、CVBS帶立體聲音頻輸入輸出;
支持任意信號組合,36種輸出分辨率選擇調節;
內置各類信號輸入輸出插槽,支持 CVBS、VGA、YPbPr、SDI、HDMI、DVI、HDBaseT、光纖信號模塊同時使用;所有輸出通道支持無縫切換,信號切換過程無閃爍、無黑屏、無抖動、無裂縫;
支持任意信號輸出自定義字符疊加功能;
高清信號支持 2K,4K;
高清信號支持3D、HDMI 1.3、HDMI 1.4;
支持多種控制信號混合使用,RS232\RS485\IR\IO\RELAY\TCP等;
母體內置7路RS232/485通訊串口、1路RJ45網口、8路I/O控制口;
支持20種場景預設和調用功能及斷電狀態保存;
前面板內置有4.3寸真彩觸控屏,可手動操控、可獨立具備軟件編程功能(支持用戶自定義界面),支持雙向控制功能;
支持雙電源冗余功能;
產品通過國家CCC強制認證。
重慶迅控員工參觀InfoComm(圖文)
InfoComm International® 是專業視聽與信息通信行業的國際貿易協會。InfoComm成立于1939年,迄今已擁有 5,000 名來自80多個國家的企業和...